
產品介紹
一、旋轉給料機氣力噴吹技術在鋼鐵行業的應用
1、高爐粉煤、粒煤噴吹系統
2、高爐廢塑料、木炭等其他燃料的噴吹系統
3、等其他直接還原煉鐵工藝的鐵礦粉、粉煤和熔劑的噴吹系統
4、鐵水預處理鎂粉、生石灰、電石等脫硫劑的噴吹系統
5、電爐碳粉噴吹系統
二、旋轉給料機氣力噴吹系統的特點
1、連續或批量給料為工藝提供連續或批量的高濃相物料喂給 包括高爐、熔煉爐、燃燒器或反應罐等
2、噴吹量可控制,噴吹量可調節、可控制以滿足工藝的要求
3、精確給料 ,噴吹量通過體積計量的給料方式精確控制
4、能克服高背壓噴吹,能將物料噴入高背壓環境
5、清潔環保,減少粉塵泄漏
6、可集成到整體工藝,噴吹系統可作為一個部件集成到工廠的整體工藝
7、適應多種物料,系統能噴吹多種物料,旋轉給料器適用于流動性好的粉料及粒徑在10mm以內的物料顆粒 例如粒煤、粉煤、碳粉、石油焦粉、石灰石粉、銅精礦、聚酯粉末等
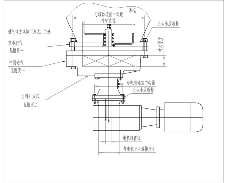
三、給料機選型及選型結構類型
1、噴吹能力根據型號不同可噴 0.5立方米/小時至90立方米/小時,變頻器調節旋轉給料電機轉速控制給料量,簡單地通過控制轉速調節給料量。不同的物料,不一樣的輸送量,選用的給料機大小不一樣,請選型前致電我們,給您提供專業的建議。
2、給料機選型結構類型如下:



四、使用和維護
1、先將給料機與料倉用螺栓連接緊固,中間需有密封墊(圈),保持密封,再將進氣口和出料口分別與外部的管路相連接;給料機軸承座上有三處接口,分別為平衡孔、吹掃孔、注油孔,平衡孔與吹掃孔連接一路氣源,注油孔每三個月加注一次黃油。三處接口在不同的給料機軸承座上的位置不同,請現場查看指示牌。
2、需要監控給料機轉速的,可在軸承座小窗口處接上接近開關,不需要的可不予理會。
五、故障分析及排除辦法
1、給料機在正常使用過程中不會出現被卡現象,若物料中進入異物或物料出現板結現象,導致給料機被卡,需將給料機拆下,將異物或板結物取出,若攪拌裝置或葉輪被破壞,需更換攪拌裝置或葉輪,此種情況為非正常使用情況,后果由使用方承擔。
2、給料機漏氣及物料泄漏,需考慮軸承及密封已損壞,需及時更換密封及軸承。
3、給料機輸出物料不穩定,需考慮給料機間隙過大,導致此種情況的發生,需返廠維修,修復間隙。
上一篇:DN150~1000給料機
下一篇:高效自動給料機